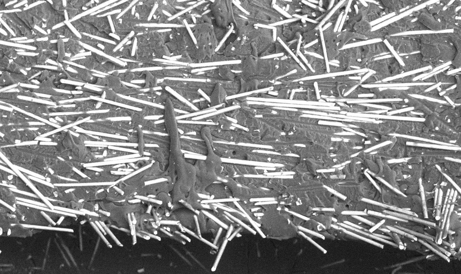
How should you choose the right plastic for your part? There are literally hundreds of different commercial plastics and thousands of plastic grades having different strength, chemical resistance, weather resistance, and thermal resistance properties.
A CASE STUDY
The following case study is the property of Plastic Expert Group and cannot be copied or distributed without prior permission. Our case analysis does not imply that this specific plastic failure will happen systematically. Every case is unique and should be treated accordingly.
PROBLEM:
HOW DO I CHOOSE THE RIGHT PLASTIC FOR MY PART?
SOLUTION:
COMPUTER MODELING
How should you choose the right plastic for your part? There are literally hundreds of different commercial plastics and thousands of plastic grades having different strength, chemical resistance, weather resistance, and thermal resistance properties.
Additionally, most plastics fail along “weld lines” or “knit lines”. So, choosing the right material and mold design for optimized mold flow and ultimate part strength is critical.
Choosing the wrong plastic to use to make a product can have huge financial consequences. It is always best to consult with a plastic expert to help select the best plastic for the application.
Plastic Expert Group is a group of highly experienced plastic experts having decades of experience.
- We can help choose the best plastic and plastic grade for manufacture of a plastic product.
- We are experts in plastic part fabrication techniques including injection molding, extrusion, thermoforming, and blow molding.
- We are experts in product computer modeling and part design using state of the art finite element analysis (FEA) and mold fill & pack analysis.
