A CASE STUDY
The following case study is the property of Plastic Expert Group and cannot be copied or distributed without prior permission. Our case analysis does not imply that this specific plastic failure will happen systematically. Every case is unique and should be treated accordingly.
PROBLEM:
WHY ARE MY INJECTION MOLDED PARTS FAILING?
Most failures of injection molded plastic parts are caused by either improper design of the part or improper design of the mold. Most failures occur at what are called “weld lines” or “knit lines”.
As the melted plastic fills the mold, there are locations where the molten plastic flow stream separates and then comes back together. When two plastic melt flows come together, the knitting of the polymer chains is not always complete causing a point of weakness in the part.
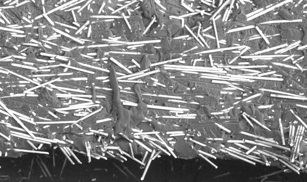
This is especially true if the plastic is reinforced by the addition of glass fibers. The fibers must bridge across the knit line. If the fibers end up parallel to each other and do not bridge across the knit line, the knit line is exceptionally weak as shown in Image 1.

SOLUTION:
COMPUTER MODELING
In order for injection molded parts to be reliable and not fail during their intended service, two types of computer modeling should be done including Finite Element Analysis (FEA) and Mold Fill & Pack Analysis (MF&P).
FEA is used to design the part and MF&P is used to design the mold. Proper location and sizing of the mold gate is critical, especially if the plastic contains glass fibers. Image 2 shows an example of how the mold design was optimized taking the knit lines into consideration.

Plastic Expert Group are experts in plastic failure analysis, plastic part design, Finite Element Analysis, and Mold Fill & Pack Analysis. We are equipped to perform not only static FEA, but we also have high speed computers that can perform dynamic FEA simulations which will predict fatigue failure of plastic part designs.